一、装卸货区防坠落方案

(无防护装卸货工作实景)
如图所示:装卸货区位于工厂进门右侧,道路一旁。
装卸货工作介绍:装货货车长17.5米,宽4米。货车在工厂内装完货后,开往装卸货区进行车上防雨篷布的铺盖,铺盖工作时间约持续一小时。车顶作业人员作业高度3.5米。按照安全作业高度界定:高度超过2米(美标1.8米),属于高空作业,需要做防坠落保护。如果没有防坠落防护,一旦发生事故,将造成不可避免的损失。
二、防坠落系统介绍
防坠落系统一般由:牢固的挂点(如建筑承重梁,三脚架等)、挂点连接件(吊索、夹具等)、中间连接件(如抓绳器、速差器),全身式安全带组成的重力下降悬挂系统。
1、挂点:一般指安全结点(如支架、脚手架、吊绳等)。
1)必须能够承受大于10KN的静态负载3分钟(EN 795 b)。
2)应位于足够高的地方,从而避免工人在坠落时碰到低层结构,同时要尽可能与工作场所垂直。
2、挂点连接件:用来连接中间连接件和挂点(如织带、吊索、支架夹具)。
应与挂点相匹配,并且能够承受大于15KN静态负载3分钟(EN362)。
3、中间连接件:这是连接安全带与挂点或挂点连接件的关键部件(如:缓冲减震绳、坠落制动器、抓绳器等)。
必须要估算可能的坠落距离,本案选择坠落制动器(速差器)
4、全身安全带:工人所穿戴的个人防护产品。
其作用是在发生坠落的情况可以拉住工人,以致其不会受伤,也不会从安全带中滑脱。
安全带上的每处挂点必须能够承受大于15KN的静态负载3分钟(EN361和E358)。
三、实绩案例解决方案
实绩案例解决方案-导轨式水平生命线应用
1.主体承重挂点的钢结构
1.1、优质槽钢及方管立柱结构。承重确保高于防坠落挂点要求。
1)如下图,黄色部分为承重钢结构,共有三组“7”型结构,立柱高6米(按照车高3.5米+人高1.7米+速差器0.3米+导轨0.43米=5.93米),设计图按照6.743米设计,确保整体受力结构高于实际使用效果。
2)臂长2.5米(车宽4米,顶部可刚好位于车顶,并一侧有0.5米宽,方便人爬上车);
3)立柱底部基座,采用1.2米深,长宽1.7米浇筑钢筋混凝土。水泥标号C25以上。确保“7”字形臂上承载10KN的时候,地基的受力是稳固的。
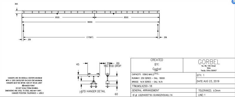
1.2、为了覆盖17.5米长的货车车身,设计3个门架结构,门架之间的距离最大10,000mm的原则;本案设计为9500mm(8500mm)和8500mm;确保每个跨度内,每条生命线至少2个人的作业安全。
整体设计如下图:
立柱防撞措施
为了防止车辆撞到立柱,在立柱周围按照黄黑颜色防撞柱。
2.导轨式水平生命线结构
卸货区2个货车位,计划做2条导轨式水平生命线,每条导轨式水平生命线长1800mm,如下图:
导轨两端的有特殊的设计,将导轨与槽钢结构进行连接固定。结构如下:
四、导轨水平生命线完工使用展示
导轨式水平生命线,刚性结构稳定;坠落防护过程,人员不会由于结构的松弛而产生2次伤害;即使发生坠落防护之后,钢结构保持完整;相比钢缆绳水平生命线,后期免维护。
钢缆绳水平生命与导轨式水平生命线坠落防护的对比:
五、导轨水平生命线配件
坠落制动器(速差器)
扫码关注·更多精彩